töltőberendezések
TELTONIKA TeltoCharge evc2 okos funkciókDinamikus terhelés kezelés (DLM)
A dinamikus terhelés kezelés egy fejlett funkció, amely lehetővé teszi a felhasználók számára az elektromos terhelés hatékony szabályozását, akár egyetlen áramkörön belül telepített töltőcsoport kezelése révén. A Modbus RS-485 kommunikáció segítségével a töltők képesek egymással kapcsolatot tartani, és dinamikusan módosítani a töltési teljesítményüket a hálózati terhelés függvényében, ezáltal biztosítva az optimális töltési folyamatot és a hálózat stabilitását.
DLM okos fogyasztásmérővel
Ebben a konfigurációban a felhasználók hatékonyan kezelhetik az elektromos terhelést a töltők és más elektronikus eszközök között. Az okos fogyasztásmérő képességeinek kihasználásával pontosan szabályozható és optimalizálható az összesített terhelés, maximalizálva az energiahatékonyságot.
A támogatott okosmérők listája: LINK
DLM okos fogyasztásmérő nélkül
Abban az esetben, ha a cél kizárólag a töltők közötti elektromos terhelés kezelése, és nincs más elektronikus eszköz, amely hozzájárulna a terheléshez, ez a lehetőség alkalmazható. Ez egy egyszerűsített terheléskezelési megoldást kínál, amely kifejezetten a töltők közötti interakciókra van szabva.
DLM Kapcsolódás
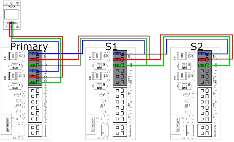
A dinamikus terhelésmenedzsment (Dynamic Load Management, DLM) egymással összehangolt töltőberendezések rendszerén keresztül valósul meg. A kommunikációt egy kijelölt „elsődleges” (Primary) töltő irányítja, amely utasításokat küld a többi, „másodlagos” (Secondary) töltőnek.
A töltőket sorosan kell összekötni (ún. daisy chain kialakításban), és a kommunikációhoz UTP sodrott érpárú kábeleket kell használni, az A és B jelölésű csatlakozási pontokon keresztül.
Soros kapcsolás:
Teltonika Energy App beállítások
Miután a töltők megfelelően csatlakoztak a villamos hálózathoz és egymással is össze vannak kapcsolva, a következő lépés a DLM funkció eléréséhez szükséges beállítások konfigurálása minden egyes töltőn a Teltonika Energy alkalmazás segítségével.
Az alábbi lista tartalmazza azokat a beállításokat, amelyeket érdemes módosítani a DLM működéséhez:
Maximális teljesítmény a hálózatból
Nagyon fontos, hogy a maximális teljesítmény a hálózatból paramétert helyesen állítsuk be az ELSŐDLEGES (Primary) töltőn, ha használni szeretnéd a DLM funkciót. Ez a paraméter jelzi, mennyi áram áll rendelkezésre abban az áramkörben, amelyet kiegyensúlyozni kívánsz. Más szóval, minden rendelkezésre álló amper értéket meg kell adni.
Ha például az Elsődleges töltőn alacsonyabb áramerősséget állítasz be, a DLM nem fog megfelelően működni, és előfordulhat, hogy a töltők még el sem kezdik a töltési folyamatot.
A másodlagos töltők esetében ez a paraméter nem ennyire kritikus. Ajánlott, hogy a 16 A-t állítsd maximumnak az 11 kW-os töltőknél, illetve 32 A-t a 7,4 / 22 kW-os töltőknél.
Elsődleges eszköz konfigurálása
Az első lépés az, hogy kiválasszuk azt az elsődleges töltőt, amely irányítani fogja a csoport kommunikációs protokollját a master-slave és master-mérő között.
Ez a beállítás csak egy töltőnél engedélyezhető a csoportban. Az elsődleges töltő végzi az összes számítást, létrehozza a kommunikációt az okos fogyasztásmérővel, és irányítja az egész csoportot.
(A maximális csoportméret 20 eszköz. Ha ennél több töltőberendezést szertnél összekapcsolni, hozz létre még egy Elsődleges töltőt és a többi másodlagos töltőt ehhez kapcsold amíg el nem éred itt is a maximális 20 eszközt. A 20 eszközbe az elsődleges töltő is beleszámít, így tehát maximum 19 másodlagos töltőt tudsz hozzá kapcsolni.)
Elsődleges töltő beállításai
Ez a beállítás az Elsődleges töltőt aktiválja, és lehetővé teszi azokat a módosításokat, amelyek az egész töltőcsoport működését befolyásolják:
- „Elsődleges eszköz” (Primary device) – Megerősíti, hogy ez az eszköz az, amely irányítja a csoportot.
- „Típus” (Type): Dinamikus – Okos fogyasztásmérő használata a terhelés kiegyenlítésére. Statikus – A kiegyenlítés csak a „Max teljesítmény a hálózatból” (Max power from grid) paraméter alapján történik.
- „Másodlagos eszközök száma” (Secondary device count)– A másodlagos töltők darabszáma.
- „Másodlagos eszköz ID” (Secondary device ID) – Az azonosítók kezdőértéke, amelytől a töltőket számozzák.
(Ha például „2”-re van állítva, az első másodlagos eszköz címe 2 lesz, és minden új eszköznél az érték 1-gyel nő.) - „Speciális beállítások” (Advanced settings) – (Részletek alább)
- „Állapot ellenőrzése” (Check status) – Lehetőség a kommunikáció típusának ellenőrzésére a másodlagos eszközökkel.
Speciális beállítások
A speciális beállítások általában az alapértelmezett értéken maradnak, csak különleges esetekben szükséges a módosításuk.
- Fázis csatlakoztatás (Phase connected) – Automatikusan érzékelt.
- Fázis megosztás módja (Phase sharing mode)– A csoport töltőinek típusa.
- Áram megosztás módja (Current sharing mode) – A rendelkezésre álló áram elosztásának módja: Egyenlő (Equal)– Az energia egyenlően oszlik el az összes aktív töltő között. Prioritás alapján (By Priority)– Az energia a töltők töltési állapotának megfelelő prioritás szerint oszlik el.
- Kommunikációs időkorlát (Communication timeout) – Késleltetés a figyelmeztetés előtt.
- Kommunikációs beállítások (Communication settings) – Minden eszközön a csoportban azonos beállításoknak kell lenniük:
- RS-485 baud rate
- RS-485 parity
- RS-485 stop bit
Másodlagos eszköz konfigurálása
Az Elsődleges eszköz konfigurálása után kötelező a Dinamikus Terheléskezelés (DLM) üzemmód engedélyezése, valamint minden másodlagos eszköz helyes beállítása.
(Ezt a lépést minden új másodlagos eszköznél meg kell ismételni.)
Minden másodlagos eszköznél az alábbi beállításokat szükséges elvégezni:
-
Maximális teljesítmény a hálózatból (Max power from grid) – Ajánlott beállítani maximum 16 A-t az 11 kW-os töltőknél, illetve 32 A-t a 7,4 / 22 kW-os töltőknél.
-
Másodlagos eszköz (Secondary device) – Engedélyezve (enabled).
-
Másodlagos eszköz ID (Secondary device ID) – Az első eszköz ID-ja megegyezik az Elsődleges eszköz beállításával, minden újabb másodlagos eszköznél az értéket 1-gyel növelni kell.
-
Speciális beállítások (Advanced settings) – Meg kell egyezniük az Elsődleges eszköz beállításaival.
Miért fontos ez neked?
A Dinamikus töltés elosztás lehetővé teszi, hogy az társasházi, vállalati vagy nyilvános töltőcsoport intelligensen, biztonságosan és hatékonyan működjön.
-
Automatikus terheléselosztás – A DLM folyamatosan figyeli az áramkör terhelését, és dinamikusan módosítja a töltők teljesítményét, így elkerülhetők a túlterhelések és a hálózati problémák.
-
Maximális energiahatékonyság – A rendszer képes napelemes rendszerrel együttműködni, prioritás és okos fogyasztásmérő alapján optimalizálni az áramfelhasználást, így minden rendelkezésre álló energia a lehető leghatékonyabban kerül felhasználásra.
-
Rugalmas és skálázható – Új töltők vagy eszközök hozzáadásakor a DLM automatikusan integrálja őket a csoportba, anélkül, hogy az egész rendszer újrakonfigurálására lenne szükség.
-
Stabil és megbízható működés – Az Elsődleges és Másodlagos töltők közötti koordináció garantálja a folyamatos és biztonságos töltést, még változó terhelés mellett is.
-
Kényelmes felhasználói élmény – A rendszer teljesen automatizált, így neked nem kell kézzel beavatkoznod, minden töltés optimálisan, a pillanatnyi körülményekhez igazodva történik.
Összességében a DLM segítségével a töltési folyamat hatékony, biztonságos és energiatakarékos, miközben a rendszer jövőbiztosan bővíthető és integrálható a többi intelligens eszközzel.
Letölthető dokumentumok
Elektromos autótöltő üzemeltetési megoldások
Ha érdeklődik az elektromos autótöltők üzemeltetése iránt, vegye fel velünk a kapcsolatot!
