töltőberendezések
TELTONIKA TeltoCharge evc2 okos funkciókDinamikus terhelés elosztás (DLB)
Az EVC2 képes kommunikálni egy dedikált okosmérővel, és annak mérései alapján automatikusan szabályozni tudja a saját energiafelhasználását.
Ez a funkció segít megvédeni a villamos hálózatot a túlterheléstől, különösen a csúcsidőszakokban, valamint lehetővé teszi az energiafelhasználás optimalizálását a töltőhasználati szokásokhoz igazítva.
Az okosmérőt mindig a fő elosztószekrényben kell telepíteni, az alábbi ábrán látható módon.
DLB támogatás (Dynamic Load Balancing)
A dinamikus terhelés elosztás (DLB) az alábbi eszközök valamelyikének csatlakoztatásával valósítható meg:
- Modbus RTU energiamérők
- Modbus TCP/IP energiamérők
- Áramváltó bilincsek (CT clamp)
- Külső vezérlés
- Smartstuff P1 átalakító
A DLB funkció ezt követően az alkalmazáson keresztül konfigurálható, a megadott beállítási lépések szerint.
Fázisegyensúly (Phase Balance) – magyarázat
A TeltoCharge fejlett funkciókkal rendelkezik, amivel képes felismerni az autó töltési módját, és szükség esetén a töltés folyamat közben is fázist tud váltani.
Ugyanez a fázisváltási folyamat akkor is megtörténik, ha az okosmérő azt érzékeli, hogy valamelyik fázison kevesebb mint 6 A áram áll rendelkezésre.
Alkalmazkodás az autó töltési képességeihez
Ha a töltő háromfázisú töltésre van beállítva, de a csatlakoztatott jármű csak egy fázisról képes tölteni, a TeltoCharge rövid idő elteltével automatikusan egyfázisú módra vált.
Ez biztosítja, hogy a töltés mindig az autó és a hálózat aktuális lehetőségeihez igazodjon.
Fázisegyensúly hiányos teljesítmény esetén
Amikor az okosmérő azt érzékeli, hogy nem áll rendelkezésre legalább 6 A mindegyik fázison, a töltőberendezés háromfázisú üzemmódról egyfázisú üzemmódra vált.
A töltő ebben az egyfázisú módban működik addig, amíg mindhárom fázison újra elérhető nem lesz legalább 6 A áramerősség. Ezután a rendszer automatikusan visszavált háromfázisú töltésre.
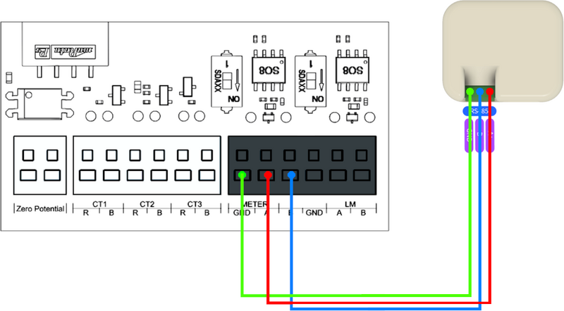
1. Modbus RTU mérők
Az energia Modbus RTU-n keresztüli méréséhez, csatlakoztasd a töltőt és az energiamérőt az RS485 porton keresztül az alábbi ábrán látható módon.
RS485 kommunikáció
Az RS485 kommunikációhoz ajánlott csavart érpárú (twisted pair) kommunikációs kábelt használni, például CAT6 kábelt.
Támogatott okos fogyasztásmérők
A minél szélesebb körű alkalmazhatóság és kompatibilitás érdekében a gyártó folyamatosan teszteli az újabb okos fogyasztásmérőket, és rendszeresen bővíti a támogatott eszközök listáját. Ennek köszönhetően a Teltonika TeltoCharge különböző gyártók és típusok mérőeszközeivel is együtt tud működni.
Az aktuálisan támogatott okos fogyasztásmérők teljes listája, valamint azok részletes bekötési sémái az alábbi linken érhetők el: LINK
Megjegyzés: Másold ki az IP-címet, mert szükség lesz rá a TeltoCharge alkalmazásban az energiamérő és a töltőberendezés összepárosításához.
HomeWizard P1 csatlakoztatása
Kövesd az útmutatót a telepítéshez: HomeWizard P1.pdf
Röviden: Keresd meg a villanyóra P1 portját és csatlakoztasd a HomeWizard mérőt a porthoz.
Megjegyzés: Másold ki az IP-címet, mert szükség lesz rá a TeltoCharge alkalmazásban az energiamérő és a töltőberendezés összepárosításához.
Ezután válaszd ki az IP-címet, amit a Shelly alkalmazásban vagy a HomeWizard alkalmazésban láttál.
Állítsd be a maximális hálózati terhelést a hálózat által engedélyezett értéknek megfelelően.
Ha minden helyesen van beállítva, a státusz jelzi majd, hogy a hálózati mérő sikeresen csatlakozott.
Támogatott Modbus TCP/IP modellek: Link
3. Áramváltó bilincsek (CT clamps)
Lehetőség van a pillanatnyilag használt energia mérésére úgy is, hogy áramváltó bilincseket (CT clamp) csatlakoztatsz minden fázishoz.
Helyezd a bilincsek kábeleit a hozzájuk rendelt bekötési pontokba: a kék vezeték a B, a piros vezeték az R bekötési ponthoz kerül.
Ellenőrizd, hogy a bilincs iránya az áramfogyasztás felé mutasson (tehát el a töltőtől).
Ajánlott CT-bilincs specifikációk
-
Névleges bemeneti áramerősség – a teljes csatlakoztatott teljesítménytől függ, de nem javasolt 150 A fölé menni.
-
Átviteli arány (turn ratio) – 3000:1.
-
Terhelő ellenállás (burden resistor) – a CT-bilincs nem tartalmazhat integrált terhelő ellenállást.
A CT-bilincs használatát a TeltoCharge alkalmazásban választhatod ki, a Terhelés elosztás (Load balancing) menüpontban.
-
Állítsd be a Maximális hálózati terhelést a hálózatodon rendelkezésre álló áramerősségének megfelelően (pl. segítség ehhez a megszakító értéke).
-
Nyomd meg a Kalibrálás (Calibrate) gombot a kiindulási pont beállításához.
Megjegyzés: A kalibráció előtt a CT-bilincsek kábeleit csatlakoztatni kell a töltőberendezés vezérlőpanelén lévő portokba, de még nem szabad a kábel köré rögzíteni.
4. Külső vezérlés (External Control)
Ez a rész a Modbus RTU interfészről nyújt áttekintést, amelyet a TeltoCharge töltőberendezés (EVSE) támogat.
A dokumentáció leírja az elérhető Modbus regisztereket a külső vezérléshez és a töltővel való kommunikációhoz, vezetékes RS485 kapcsolaton keresztül.
Ez a funkció csak akkor érhető el, ha a töltőt másodlagos (server) eszközként konfigurálták, és az elsődleges (client) eszköztől érkező parancsokra vár.
A másodlagos eszköz két üzemmódban működhet:
- Watchdog használatával: Beállítható úgynevezett felügyeleti mechanizmus (watchdog) használata a kommunikáció ellenőrzésére. Ha egy előre beállítható időtartamon belül nem történik érvényes kommunikációs eseény az eszközök között, a töltés (amennyiben folyamatban van) leáll. A töltőberendezés (EVSE) ezt követően nem indít új töltést, amíg a megfelelő kommunikáció helyre nem áll.
- Watchdog használata nélkül: Az EVSE nem használ felügyeleti mechanizmust (watchdogot), és nincs szükség folyamatos kommunikációra a működéséhez. Mivel az EVSE beállításai a TeltoCharge mobilalkalmazás segítségével módosíthatók, javasolt ebben az esetben, hogy az elsődleges vezérlőeszköz rendszeresen kiolvassa, összehasonlítsa, és szükség esetén módosítsa a beállításokat a felhasználói igények és az aktuális körülmények alapján.
Így biztosítható az elektromos járműtulajdonosok számára a zavartalan és biztonságos töltési élmény. Az EVSE beállításainak folyamatos ellenőrzése és szükség szerinti frissítése lehetővé teszi, hogy az elsődleges eszköz mindig összhangban maradjon a felhasználó által megadott beállításokkal, fenntartsa az optimális töltési feltételeket, és gyorsan reagáljon a TeltoCharge mobilalkalmazáson keresztül végrehajtott változtatásokra, ezáltal növelve a rendszer hatékonyságát és a felhasználói elégedettséget.
Eszköz előkészítése
A TeltoCharge-ot másodlagos eszközként kell konfigurálni a TeltoCharge mobilalkalmazáson keresztül, és az eszköznek RS485 vezetékes kapcsolattal kell rendelkeznie az elsődleges eszközhöz.
- Nyisd meg a Felhasználói menüt (User menu)
- Nyisd meg az Installer menüt
- Nyisd meg a Terhelésmenedzsment (Load Management) menüt
- Válaszd a Secondary (másodlagos) eszköz lehetőséget
- Engedélyezd a másodlagos eszközt
- Ellenőrizd, hogy az eszköz címe megfelel-e a rendszeredben beállítottaknak
Modbus regiszter térkép (Modbus Register Map)
Ez a link tartalmazza a TeltoCharge töltőberendezés Modbus regisztereinek listáját, amelyek segítségével a külső vezérlés és a kommunikáció megvalósítható RS485 vezetékes kapcsolaton keresztül: Link
5. Smartstuff P1 átalakító (Smartstuff P1 Converter)
A Modbus P1 Dongle egy olyan eszköz, amely lehetővé teszi a TeltoCharge töltőberendezés és az okosmérő közötti kommunikációt a Modbus RS-485 protokollon keresztül.
Ez a beállítás szükséges az energiafelhasználás pontos követéséhez és szabályozásához az elektromos jármű töltése során.
Előnyök:
-
Pontos energiafigyelés: Biztosítja, hogy az energiafogyasztási adatok helyesen legyenek rögzítve és továbbítva.
-
Optimalizált töltés: Az okosmérő adatait felhasználva a töltőberendezés képes optimalizálni a töltési folyamatot, csökkentve a költségeket és növelve a hatékonyságot.
Megjegyzés: A telepítés előtt győződj meg róla, hogy az okosmérőd kompatibilis a Modbus P1 Dongle-lal.
Okos mérő csatlakoztatása
A dongle-t a villanyóra P1 portjához kell csatlakoztatni a mellékelt P1 kábellel.
Ez a kapcsolat lehetővé teszi, hogy a dongle közvetlenül olvassa az energiafogyasztási adatokat az okosmérőről.
Megjegyzés: Állítsd be az energiamérő címét a Smartstuff eszköz címének megfelelően.
Teltonika Energy alkalmazás beállításai (TELTONIKA ENERGY APP SETTINGS)
A helyes működés biztosítása érdekében alkalmazd az alábbi beállításokat:
- Nyisd meg a Felhasználói menüt (User menu)
- Nyisd meg az Installer menüt
- Nyisd meg a Dinamikus terhelés elosztás (Dynamic Load Balancing) menüt
- Kapcsold be a Load Balancing funkciót
- Ha az okosmérő RS485 vezetékkel van csatlakoztatva, nyomd meg a „Search For Device” gombot
Csak akkor használd a „Manual Setup” opciót, ha a TeltoCharge nem képes az energiamérőt automatikusan felismerni
Miért hasznos ez neked?
-
Optimális energiafelhasználás: A töltő a hálózat és az energiamérő adatai alapján automatikusan szabályozza a töltést, így nem terheli túl az elektromos hálózatot.
-
Költséghatékony töltés: Az energiafelhasználás optimalizálásával csökkentheted a villanyszámlád, különösen csúcsidőszakokban.
-
Kompatibilitás különböző mérőkkel: Használhatsz Modbus RTU/TCP, CT clamp, P1 vagy Smartstuff mérőket, a rendszer automatikusan felismeri és kezeli őket.
-
Rugalmasság a töltő és az autó között: A töltő alkalmazkodik az autó töltési képességeihez (1- vagy 3-fázisú töltés) és szükség esetén fázist vált.
-
Egyszerű beállítás és felügyelet: Az alkalmazásban könnyen konfigurálhatsz minden beállítást, a rendszer pedig valós időben frissíti a töltési adatokat.
-
Biztonságos működés: Ha a hálózat nem képes biztosítani a szükséges áramerősséget, a töltés automatikusan egyfázisú módra vált, így védve az elektromos rendszered.
Összességében a DLB funkció biztonságosabbá, intelligensebbé és költséghatékonyabbá teszi az elektromos autó töltését, automatikusan alkalmazkodva a hálózathoz és a felhasználói igényekhez, anélkül hogy állandóan felügyelned kellene a rendszert elkerülve a villamos hálózat túlterhelését.
Letölthető dokumentumok
Elektromos autótöltő üzemeltetési megoldások
Ha érdeklődik az elektromos autótöltők üzemeltetése iránt, vegye fel velünk a kapcsolatot!
