töltőberendezések
TELTONIKA TeltoCharge evc1 okos funkciókKülső RS485 vezérlés
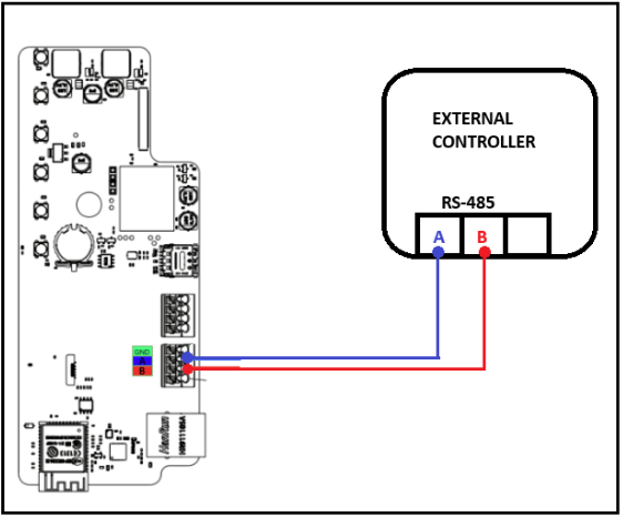
Külső vezérlés RS485-en keresztül
Ebben a részben a TeltoCharge töltőberendezés (EVSE) által támogatott Modbus RTU interfész áttekintését találod. A dokumentáció leírja a külső vezérléshez és a töltővel való kommunikációhoz rendelkezésre álló Modbus regisztereket, amelyek vezetékes RS485 összeköttetés esetén működnek.
Ez a funkció csak akkor érhető el, ha a töltő másodlagos (szerver) eszközként van konfigurálva, és a fő (kliens) eszköz parancsaira vár. A másodlagos eszköz két üzemmódban működhet:
-
Watchdog használata a kommunikációhoz – Ha a beállított időintervallumon belül nem történik érvényes kommunikáció, a töltés (ha folyamatban van) leáll, és az EVSE nem végez töltést, amíg az érvényes kommunikáció újra nem jön létre.
-
Watchdog használata nélkül – Ebben az esetben folyamatos kommunikáció nem szükséges. Mivel az EVSE beállításai a TeltoCharge mobilalkalmazáson keresztül is módosíthatók, a fő eszköznek érdemes folyamatosan olvasni, összehasonlítani és szükség szerint módosítani a beállításokat a felhasználói igények és a valós idejű feltételek alapján.
Ez a folyamat biztosítja a zökkenőmentes és biztonságos töltési élményt, miközben a fő eszköz szinkronban marad a felhasználói beállításokkal, fenntartja az optimális töltési körülményeket, és gyorsan reagál a TeltoCharge mobilalkalmazáson keresztül indított változtatásokra. Így javul az egész rendszer hatékonysága és a felhasználói elégedettség.
A teljes Modbus Register Map az alábbi linken érhető el: LINK
Miért fontos ez neked?
A RS485-ös külső vezérlés lehetővé teszi, hogy a TeltoCharge töltőt integráld egy nagyobb, központilag felügyelt rendszerbe, így a töltés teljesen automatizált és távolról irányítható lesz.
-
Rugalmas működés – a töltő képes figyelni a parancsokat a fő eszköztől, és automatikusan reagálni a beállításokra vagy a töltési folyamatok változásaira.
-
Biztonságos és megbízható – a watchdog funkció segít elkerülni a hibás vagy megszakadt kommunikáció miatti túlterhelést vagy megszakított töltést.
-
Optimális szinkronizáció – a fő eszköz folyamatosan ellenőrizheti és szükség szerint módosíthatja a töltő beállításait, így mindig az aktuális felhasználói igényekhez és energiafeltételekhez igazodik.
-
Jövőbiztos integráció – a rendszer könnyen bővíthető további eszközökkel, és a TeltoCharge része lehet egy nagyobb, intelligens energia- és töltésfelügyeleti rendszernek, anélkül, hogy a töltőt cserélni kellene.
Ezáltal a számodra a töltés zökkenőmentes, hatékony és kényelmes, miközben a teljes rendszer működése biztonságos és optimalizált marad.
Letölthető dokumentumok
Elektromos autótöltő üzemeltetési megoldások
Ha érdeklődik az elektromos autótöltők üzemeltetése iránt, vegye fel velünk a kapcsolatot!
