töltőberendezések
TELTONIKA TeltoCharge evc1 okos funkciókKiegészítők
1.) P1 Modbus adapter
A Modbus P1 adapter egy olyan eszköz, amely lehetővé teszi a TeltoCharge töltőberendezés és az okos fogyasztásmérő közötti kommunikációt a Modbus RS-485 protokoll használatával. Ez a beállítás elengedhetetlen az energiafelhasználás pontos monitorozásához és szabályozásához az elektromos autó töltése során.
-
Pontos energiafigyelés – Biztosítja, hogy az energiafogyasztási adatok helyesen kerüljenek rögzítésre és továbbításra.
-
Optimalizált töltés – Az okos fogyasztásmérő adatait felhasználva a töltőállomás optimalizálhatja a töltési folyamatot, csökkentve a költségeket és növelve a hatékonyságot.
Megjegyzés: A telepítés megkezdése előtt győződj meg arról, hogy az okos fogyasztásmérőd kompatibilis a Modbus P1 adapter eszközzel.

Okos fogyasztásmérő csatlakoztatása
Az adaptert a fogyasztásmérő (villanyóra) P1 portjához kell csatlakoztatni a mellékelt P1 kábellel. Ez a kapcsolat lehetővé teszi az adapter számára, hogy közvetlenül olvassa ki az energiafogyasztási adatokat az okos mérőről.
RS-485 csatlakoztatás
Az adapter rendelkezik RS-485 csatlakozási pontokkal, amelyek fontosak a TeltoCharge rendszerrel való kommunikáció létrehozásához. Ezeket a csatlakozási pontokat általában a következőképpen jelölik: Föld (GND), A+ (pozitív differenciál jel), B- (negatív differenciál jel).
Az adapter csatlakoztatása a TeltoCharge-hoz:
- Csatlakoztasd a kábel A+ terminálját a TeltoCharge A+ portjához.
- Csatlakoztasd a kábel B- terminálját a TeltoCharge B- portjához.
Megjegyzés: Kommunikációs hibák esetén az A+ és B- vezetékek felcserélése gyakran megoldja a problémát.

Általános mérőbeállítások
A smart meter dokumentációja alapján az összes beállítást a Teltonika alkalmazásban kell megadni a következők szerint:
-
Fogyasztásmérő típusa – Válaszd ki az okos mérő típusát (1 fázis / 3 fázis). Megjegyzés: 1 fázisú töltő használható akkor is, ha a mérő 3 fázisú.
-
RS-485 baud rate – A P1 adapter optimális működéséhez és kompatibilitásához a sebességet 38400-ra kell állítani.
-
RS-485 paritás / stop bit – Ezeket az információkat szintén a mérő beállításaiban találod. Ha nem találod, érdemes ellenőrizni az okos fogyasztásmérő kézikönyvét.

Megjegyzés: Állítsd be a fogyasztásmérő címét a P1 Modbus adapter által meghatározott cím szerint.
Megjegyzés: A fenti lépések sikeres elvégzése után ellenőrizd a mérő diagnosztikai élő adatait.
2.) Modbus RTU fogyasztásmérők
Eastron SDM 230-M (1 fázis) vagy SDM 72D-M (3 fázis) esetén

A Modbus RTU fogyasztásmérők stabil és hatékony megoldást nyújtanak, különösen akkor, ha a villamos szekrényt az töltőberendezéshez kell alakítani. Mivel a kapcsolat vezetékes, kiváló reakcióidőt biztosít az adatok töltőberendezés felé történő elküldéséhez.
A mérők robosztus, ipari kivitelűek, hosszú távú használatra tervezve, és ideálisak olyan helyeken, ahol a Wi-Fi kapcsolat nem stabil. Elérhetők 1 fázisú és 3 fázisú verzióban is, valamint MID jóváhagyással rendelkeznek.
3.) Egy- és kéttöltős oszlopok
Karcsú és elegáns telepítőoszlop akár két töltőberendezés számára. Kiválóan alkalmas egymás melletti parkolási konfigurációkhoz családi házaknál, lakóparkokban, céges parkolókban vagy nyílvános helyeken.
A kialakítás lehetővé teszi a vezetékek teljes elrejtését, mivel a kábelek a töltő hátulján keresztül érkeznek a tartóoszlop felől.
- Masszív acél kivitel a hosszú távú tartósságért.
- Előkészített menetes rögzítőlemezek a gyors és biztonságos telepítéshez.
- Előfúrt lyukak kábelrögzítő tartozékokhoz (külön vásárolható), a rendezett és tiszta megjelenés érdekében.
- Szilárd talapzatra történő rögzítőcsomag a stabil telepítéshez.
Telepítési tippek
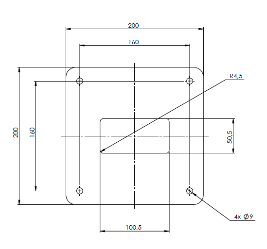
A telepítés során furatokat kell készíteni az alapzatba. Ez az alábbi módokon végezhető el:
- Előfúrás az alább mellékelt sablon alapján, vagy
- A furathelyek kijelölése a helyére állított oszlop segítségével
A tartóoszlop belső kábelcsatornával (üreggel) rendelkezik, amely lehetővé teszi a betápkábel elrejtését.
Amennyiben a betápkábelt föld alatt szeretnéd elvezetni, kérjük, ügyelj arra, hogy elegendő helyet hagyj a kábel számára.
A betápkábelt középen fogadó üreg mérete a mellékelt rajzon kerül feltüntetésre.
4.) Kábeltartó
A kábelrendező kampó tartozék segítségével rendezettebb és esztétikusabb telepítést érhetsz el, különösen az 5 méteres vagy 7,5 méteres kábelhosszúságú töltők esetén.
A töltőcsomagban található dugó- és kábelrendező tartót falra vagy tartóoszlopra rögzítheted, így a mindennapi használat egyszerű és problémamentes lesz.
Letölthető dokumentumok
Elektromos autótöltő üzemeltetési megoldások
Ha érdeklődik az elektromos autótöltők üzemeltetése iránt, vegye fel velünk a kapcsolatot!
